Livestock Research for Rural Development 22 (1) 2010 Guide for preparation of papers LRRD News

Citation of this paper

Gasification of fibrous crop residues and live stock production; essential elements in establishing carbon-negative farming systems

Lylian Rodríguez and T R Preston

TOSOLY, AA #48, Socorro, Santander, Colombia
lylianr@utafoundation.org

Abstract

The feedstocks used in a down-draft gasifier were sugar cane bagasse and mixed stems of Mulberry (Morus alba) and Tithonia (Tithonia diversifolia). The tests were done under commercial conditions over an extended period (90 days) on a farm in Colombia. The bagasse was the byproduct of the extraction of the juice from sugar cane stalks, which was fed to pigs; the stems were the residues after the leaves and (in the case of the Mulberry) the rind had been consumed by confined goats  The 10KW gasifier (Ankur WBG10) was imported from India.

Rates of consumption of the feedstock were similar for the bagasse and the stems (4.32 and 4.65 kg DM/h). The stems produced a greater percentage of biochar (11.7% of the DM in the feedstock) than the bagasse (8.5%). Management of the gasifier was simpler in the case of the stems as these flowed more easily in the hopper, whereas the bagasse tended to “bridge” requiring frequent agitation to maintain the gas flow. It was estimated that the bagasse from the 1.5ha of sugar cane required to feed a constant population of 45 pigs (about 50 kg DM daily), and the 1ha in forage trees for 20 breeding goats, could provide electrical energy yields of 50 KWh daily.  The biochar residue (35% ash; 65% carbon) from the gasification of the bagasse and tree stems (2.5 ha) would be sufficient to condition 0.1 ha of crop land annually with the potential to sequester annually up to 5.4 tonnes of carbon dioxide.

Key words: Bagasse, electricity, mulberry, renewable energy, residues, sugar cane, Tithonia diversifolia


Introduction

The three components of the world crises – economic recession, global warming and resource depletion (especially fossil fuels) - presently facing humanity are closely inter-related. The gaseous emissions from the burning of fossil fuels are the major contributor to global warming; the apparently inexhaustible supply of fossil fuels facilitated the exponential growth of the world population during the past century and, more recently, the unsustainable indebtedness in the developed countries, which led to the present economic recession.

 

In the past century, the needs for energy, and indirectly for food, of the expanding world population were provided by cheap oil. The inevitable process of adaptation to increasing cost and declining supplies of oil, will almost certainly change the future life style of the majority of the world’s population. 

 

For the future, the only long term alternative to fossil fuel (as exo-somatic energy, that is energy not derived from digested food – muscle power) is solar energy, utilized either directly as a source of heat, or indirectly in solar-voltaic panels, as wind, movements of waves and tides, or in biomass produced by photosynthesis. Solar energy will also have to be relied on to produce food, in what must surely have to be rural small-farm systems, to support the largely urbanized population.

 

The green revolution which dramatically increased food supplies during the last 40 years was a “fossil energy “ revolution as it was energy in the form of oil and natural gas which facilitated production of fertilizers, especially nitrogen, pesticides and herbicides,  and the mechanization and irrigation that permitted multiple  cropping. Another “energy” revolution is possible but it will be based on making greater use of the energy derived daily from the sun. It must also produce both energy and food and have an EROEI (Energy Returned On Energy Invested) of at least 5 (Hall et al 2008a,b). It will also need the support of human energy and increased numbers of people working in rural areas.

 

There are few difficult decisions about producing food by photosynthesis.  By contrast, the ideas proposed for redirecting energy from the sun into potential  energy to replace that of  fossil fuels are many.  The alternatives that  are currently practiced commercially (although in most cases with a high degree of Government subsidy) can be divided into processes that depend on (i)  the products of photosynthesis (eg:: ethanol produced by fermentation of sugars derived from cereal grains, cassava roots and sugar cane; and biodiesel from soya beans, rapeseed and oil palm); or (ii) that use the physical qualities of solar energy directly (photovoltaic panels, solar water heaters, windmills and tidal barrages).

 

Surprisingly, gasification which is a proven technology for using biomass as a source of fuel, and which was applied widely in several "oil-dependent" countries during World War II, has received little attention from policy makers and the media. Yet, as will be shown in this paper, it appears to hold real prospects of being especially applicable at the small, dispersed farm level.

 

Gasification is a process for deriving a combustible gas by burning fibrous biomass in a restricted current of air. The process is a combination of partial oxidation of the biomass with the production of carbon which at a high temperature (600-800 C) acts as a reducing agent to break down water and carbon dioxide (from the air) to hydrogen and carbon monoxide, both of which are combustible gases.  The advantages of gasification are that: the feedstock is the fibrous parts of plants which are not viable sources of food; the energy used to drive the process is derived from the combustion of the feedstock; there is minimal input of fossil fuel (mainly for the construction of the gasifier and associated machinery); the  process can be de-centralized as units can be constructed with capacities between 4 and 500KW.

 

Fuel energy as a byproduct of livestock production

 

Miech Phalla and Preston (2005) reported data in Cambodia for a down-draft gasifier imported from India (Ankur Scientific Energy Technology Pvt. Ltd; http://www.ankurscientific.com). The gasifier unit (Model WBG15) was connected to a 25HP gas engine coupled with a 15KVA alternator (Photo 1).


Photo 1. The gasifier, engine and alternator setup in Cambodia

Miech Phalla and Preston  (2005) compared four feedstocks: the woody stems from cassava and mulberry, the branches from an ornamental tree and the husks from coconut (Photos 2-5), measuring various criteria (Table 1) of the gasification process with the engine-alternator operated with a constant load of 9KW (the electrical power needs of the CelAgrid experimental farm where the tests were carried out).


Photo 2: Chopped dried stems of cassava

Photo 3: Chopped dried stems of mulberry





Photo 4: Chopped dried stems of Cassia stamea

Photo 5: Chopped husks of coconut


 Conversion rates of dry feedstock to electricity were similar for all 4 feedstocks despite the wide range in bulk density (Table 1).


Table 1: Mean values for gasifier characteristics using coconut shells-husks, cassava stems, mulberry stems and branches of Cassia stamea as feedstock

 

Cassia

Cassava

Mulberry

Coconut

SEM

Prob.

Biomass, kg

           

Initial

36.7

32.3

33.7

34.4

1.3

0.21

Final

4.93

1.9

0

3.07

2.19

0.49

Consumption

36.9

35.1

40

36.4

2.9

0.69

Moisture, %

14

13.3

15.7

14

1.4

0.69

Density, g/litre

348a

97.0c

273b

128c

10.4

0.001

Duration, h

3.91

3.67

4.09

4.02

0.328

0.81

Output, kwh

27.4

25.7

28.7

28.2

2.29

0.81

Conversion#

1.23

1.18

1.18

1.11

0.044

0.42

Efficiency##

0.187

0.204

0.204

0.217

0.0082

0.17

Biochar, g/kg biomass DM

109

128

109

137

16.5

0.58

# kg dry biomass/kwh; ## Assumes 15 MJ/kg biomass DM and 3.6 MJ/kwh of electricity

abc Means in the same row without common letter are different at P<0.95


Three problems associated with use of biomass as fuel are: (i) its low density (eg: from 97 to 350 kg/m3; Table 1), resulting in high costs of transport if processed in a centralized utility (as with increasing distance, fossil fuel rather than animal or human power is needed); (ii) the cost when it is the sole product of the cropping system; and (iii) the potential conflict if land presently devoted to food crops is diverted to production of biomass for fuel. These problems do not arise if the biomass is used at the point of production and it is the byproduct of crops that are grown primarily for human food or animal feed. 

 

Hypothesis

The hypothesis underlying the present study is that the bagasse, derived form sugar cane stalks passed two times through a 3-roll crusher (known in Colombia as a trapiche. Photo 6), and stems of forage trees remaining after the leaves were consumed by goats, could be satisfactory sources of feedstock in a down-draft gasifier, designed originally to be fueled with wood chips.


Photo 6. The three-roll crusher used to extract the juice from stalks of sugar cane

Materials and methods

Location

The study was done in the farm “ TOSOLY" , located at 1500 masl in the Santander department of Colombia, approximately 250 km north of the capital Bogotá.

 
The gasifier

 

A 10KW down-draft gasifier (Model WBG-10) (Photo 7) was imported from Ankur Scientific Energy Technology Pvt. Ltd, in India. It was connected to a Dipco diesel engine modified to operate in 100% producer gas mode with a 230v, 3-phase alternator to give gross output of about 9 kWe (with a net output of 8 kWe and a continuous output of 7 kWe).



Photo 7. 
The “Ankur” gasifier inTOSOLY farm

The whole system comprises three main units:

       Gasifier

       Filter system

       Engine and alternator

The basic features of the system are (according to the direction of the gas flow):

       Gasifier divided into 3 sections: hopper, reaction unit and ash collector. The hopper stores the feedstock (capacity about 100 litres). It consists of drying zone and pyrolysis zone. The reaction zone has a combustion zone and reduction zone. The ash section is the bottom part for storing ash and char (biochar).

        Venturi scrubber is a device for drawing the air into the gasifier system using a current of water driven by a small pump.

       Cyclone separator is the place for cooling, cleaning and separating the gas from the water

       Fine filter is a container, filled with saw dusk for capturing dust.

       Safety filter is a container with cloth 1x1 mm mesh sieve.

The gas emerging from these filters is extremely pure and clean, suitable for burning in an internal combustible engine.

       Flare is a tube in a vertical plane for testing the gas quality by burning before the engine starts

       Gas control valve determines the amount of gas going into the engine according to the needs of the engine

       Air filter for cleaning air and mixing with the gas prior to entering the ignition zone of the engine

       Engine 10 HP DIPSO gas engine drives a 5 KVA generator for electricity

      Exhaust pipe is hot (about 250°C) and used for drying wet feedstock.

 

The farming system

 

The farm (Figure 1) extends to 7 ha of which 1.22 ha are in natural forest, 1.44 ha in Arabica coffee grown under shade from “Guamo” (Inga hayesii Benth) trees, 1.5 ha in sugar cane,  0.50 ha in permanent plantations of forage trees (mainly Mulberry [Morus alba] and Tithonia [Tithonia diversifolia] and 0.30 ha in New Cocoyam (Xanthosoma Sagittifolium). The remaining 2 ha are accounted for by areas under citrus, bamboo (Guadua), pasture, fish ponds, roads and buildings.



Figure 1
.  Map of the TOSOLY farm


For the purposes of this study the components of the farm devoted to combined feed and fuel production are sugar cane and the forage trees (Figure 2).



Figure 2
. Flow diagram of the principal activities in the TOSOLY farm


Experimental design

 

This consisted of extended periods operating the gasifier, first with dried sugar cane bagasse (74 days) and then with the chopped mixed stems from the forage trees (16 days).

 
Sources of biomass

 

The whole sugar cane plant was harvested and the tops (leaves + growing point) separated from the stalk, which was then passed twice through a 3-roll mill (trapiche) (Photo 6). The extracted juice was  the dietary energy source for the pigs (n=40 fatteners; 5 sows); the “ tops” were chopped prior to feeding them as the energy source for the goats and cattle. The bagasse (the fibrous residue after juice extraction) represented about 35% of the fresh weight of the cane stalk and contained from 55 to 65% moisture. It was sun-dried during 1 to 2 days to a moisture content of about 15%. The large pieces were then separated and used as litter for the goats and cattle; the remaining smaller particles (1 to 3 cm) were stored for use as fuel in the gasifier (Photo 8).


Photo 8. Fine bagasse on the left for the gasifier; coarse particles are used as litter
for goats and cattle but could be chopped and used in the gasifier

Foliage from the Mulberry and Tithonia trees was harvested at 6 to 8 week intervals, removing all the fresh biomass after cutting about 50 cm above soil level. The mixed foliages were fed immediately to the goats, that preferentially selected the Mulberry of which they ate the leaves and the rind which they stripped completely from the stems (Photo 9). 



Photo 9.
 Mulberry foliage on the left (most of the rind
on the stems has been eaten); Tithonia on the right


For the Tithonia only the leaves were eaten; the stems were left with the rind untouched (Photo 11). The stems of both trees that were not eaten by the goats (Photo 10) were collected, passed through a high speed (3500rpm) chopper (driven by a 3KW electric motor which received power from the gasifier-alternator) and sun-dried to15% moisture for later use in the gasifier.



Photo 10.
 Residual stems left by the goats; the white stems (without the rind) are from the Mulberry; the green ones with leaves attached are from the Tithonia


Measurements

 

Records were kept daily of the quantities of feedstock put into the gaifier, the operating time, and the amounts of residual biochar. The moisture content of the feedstocks was recorded with an electronic meter. .


Results

The gasifier was operated many more days on sugar cane bagasse than on tree stems (Table 3), reflecting the relative availabilities of the two sources of feedstock. On the days when tree stems were the source of feedstock, the gasifier was operated for longer periods, in this case reflecting the reduced maintenance (frequency of agitating the feedstock in the hopper) as the stems “flowed” more easily downwards to the combustion zone. Rates of consumption of the feedstock were similar for the bagasse and the stems.

 

The stems produced a greater percentage of biochar (11.7% of the DM in the feedstock) than the bagasse (8.5%).  Estimates of the potential output of electrical energy assumed the alternator was always running on full load which was not the case, as the load depended on the capacity of the lights/motors that were in use when the gasifier was operating. An assumed conversion rate of 1.2 kg feedstock DM/KWh was applied on the basis of the data recorded by Miech Phalla and Preston (2005), who operated the gasifier system under conditions of a constant full load during the time their tests were made.


Table 2.  Mean values for rate of use of feedstock and production of biochar in a 10KW down-draft gasifier charged with sugar cane bagasse or mixed stems of Mulberry and Tithonia trees

 

Bagasse

Stems

Operating time

 

Number of days

74

16

Hours per day

3.73

5.70

Feedstock, kg

 

 

Air-dry/d

19.0

31.2

DM/d

16.1

26.5

DM /h

4.32

4.65

Feedstock

 

 

DM, %

15

15

Density, g/litre

52

96.8

Ash, % in DM

1.65

1.80

Biochar

 

 

 kg/d

1.37

3.10

 % of feedstock DM

8.48

11.7

Ash content, %

28.9

34.8

Engine/alternator

 

 

Hours/day

3.73

5.70

DM/h, kg

4.32

4.65

KWh/d#

13.4

22.1

# Potential output on full load using the conversion factor of 1.2 kg DM/KWh (Miech Phalla and Preston 2005)


Discussion

The objective of this experiment was to derive data and personal experience from the long term (90 days) operation of a down-draft gasifier using sugar cane bagasse and stems of forage trees as the feedstock. No major problems were encountered other than the need to periodically agitate the contents of the fuel hopper when bagasse was the feedstock. This inconvenience could be overcome by changing the design of the feed hopper, so the sides were vertical and not shaped like a cone. Fitting a screw augur that would progressively push the feedstock down to the combustion zone is another possibility. The final output of such a system is of course the quantity of electric power that is generated. This could not be measured as no meter was available. In any event, as discussed earlier, the KWh output is a function of the load imposed on the alternator, and under the practical circumstances of  the present study, this was highly variable. Future plans are to install a battery bank of 110v which will be charged by the alternator, thus allowing it to be run at close to maximum efficiency when the conversion rate should be similar to that observed by Miech Phalla and Preston (2005; Table 1).

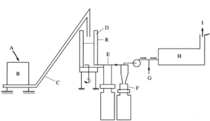
A broadly similar biomass gasifier system,, designed to produce a combustible gas from sugar cane trash  (the dead leaves which fall from the plant during growth plus those removed from the stalk when it is harvested) and sugar factory bagasse was described by Jorapur and Rajvanshi (1997).  The construction differed from the Ankur gasifier in that the hopper had parallel sides (Photo 11; Figure 3)  and no throat, which facilitated downward movement of the low density feedstock. As the gas produced was used in a furnace there was no need to cool or clean it. In discussions with the designer (T R Preston, personal communication) it was apparent that the system was designed only for thermal applications, and that the gas was not of suitable quality for use in an internal combustion engine. There were other differences compared with the Ankur system in that the yield of biochar was much higher (24% of weight of dry feedstock) although the ash content was similar (35-40%).

Photo 11. The downdraft, open top, throatless gasifier desiigned to produce a combustible gas from sugar cane trash (dead leaves) and sugar factory bagasse (Source: Jorapur and Rajvanshi 1997) Figure 3 Schematic diagram of sugarcane leaf-bagasse gasification system: A biomass from storage piles,
B hopper, C conveyer, D refractory walls, E char collector, F cyclone, G air, H furnace, I chimney, R reactor

The normal consumption of electricity on the farm is of the order of 5 to 10 KWh daily which assuming the conversion rate of 1.2 kg dry feedstock/KWh, would require from 6 to 12 kg dry feedstock daily. The daily consumption of sugar cane juice for the pig unit (n=40 fatteners and 5 sows) is of the order of 225 litres daily which requires the crushing of 350 kg of cane stalks daily, which is 128 tonnes annually. With an annual yield of 80 tonnes stalks/ha the required cane area is1.6ha. The daily production of bagasse is therefore of the order of 50 kg (DM basis) sufficient to produce about 41 KWh of electricity daily, which would provide a surplus of the order of 35KWh daily that could be fed into the regional electricity grid or used directly for activities in the immediate community such as (in the future!) the charging of the batteries of electric vehicles. In addition there is the potential supply of electricity from the tree stems which is estimated to be of the order of  11 KWh day when the area planted with forage trees reaches the planned 1 ha.

Biochar has been shown to be an excellent conditioner for the acid soils that predominate in the farm (Rodríguez et al 2009) and generally in tropical latitudes. It is also expected that most of the carbon in the biochar will be permanently sequestered when incorporated in the soil (Lehmann 2007). From the 50 kg of bagasse DM derived daily from 330 kg/day of sugar cane stalks, plus the 14 kg of DM as tree stems, the daily production of biochar will be about 6 kg  (=2.19 tonnes/year) of which 4 kg will be carbon. In one year this is 1460 kg of carbon (5.35 tonnes of CO2) sequestered annually). The 2.19 tonnes of biochar per year (from 2.5 ha) is sufficient to fertilize 0.1 ha of crop area, assuming an application rate of 20 tonnes/ha (Lylian Rodriguez and T R Preston, Unpublished data). The benefits in terms of reduced fertilizer needs have yet to be quantified but appear to be considerable (see Rodriguez et al 2009).


Conclusions

 

References

 

Hall C A S, Powell R and Schoenberg W 2008a  Peak Oil, EROI, Investments and the Economy in an uncertain future. In: Biofuels, Solar and Wind as renewable energy systems; benefits and risks.  http://www.esf.edu/EFB/hall/documents/20080905145802141_000.pdf

Hall C A S and the “EROI study team” 2008b Provisional results from EROI assessments. The Oil Drum. http://www.theoildrum.com/node/3810

Jorapur Rajeev and Rajvanshi Anil K 1997 Sugarcane leaf-bagasse gasifiers for industrial heating applications. Biomass and Bioenergy Volume 13, No. 3, pp141-146

Lehmann J 2007 A handful of carbon. Nature 447: 143-144

Miech Phalla and Preston T R 2005 Potential of biomass from selected cropping systems as source of feed / food and energy. http://www.mekarn.org/msc2003-05/theses05/phalla2.pdf

Rodríguez L, Salazar P and Preston T R 2009  Effect of biochar and biodigester effluent on growth of maize in acid soils.  Livestock Research for Rural Development. Volume 21, Article #110.  http://www.lrrd.org/lrrd21/7/rodr21110.htm



Received 27 September 2009; Accepted 1 December 2009; Published 1 January 2010

Go to top